










| Состояние | Новое |
|---|---|
| Производитель | D&T |
|
Муфта ЭМ12 - ЭМ62 |
Электромагнитные муфты (электромуфты) ЭМ 32 А УХЛ4 используют в целях дистанционного коммутирования кинематической цепи. Также муфты фрикционные электромагнитные находят применение в наладке автоматических приводов механизмов металлорежущего оборудования и тому подобных машин. Управление муфтой обеспечивает переключение ступеней чисел оборота в трансмиссии, а так же механизмах пускового и реверсивного назначения. Наряду с этим, муфта электромагнитная используется в организации управления цикличными неточными перемещениями, исполняя роль сцепного или пускового устройства. Муфты ЭМ-62(52,42,32,22,12)А предназначены для автоматизации привода металлорежущих станков и других машин и могут быть использованы для: - разгон, торможение и реверсирование нагрузки при высоком динамическом качестве переходных процессов; - переключение ступеней передач; - кратковременное импульсное регулирование частоты вращения; - ограничение пиковых нагрузок в передачах. |
||
|
Тип
|
Номинальный передаваемый момент, кгс, м
|
Максимальная скорость вращения, об/мин
|
Постоянный ток
|
Вес, кг
|
|
|
Номинальное напряжение, в
|
Ток (справоч-
ный), а |
||||
|
ЭМ-12
ЭМ-12А
|
1.6
|
-
|
24
|
0.23
|
1.1
|
|
ЭМ-22
ЭМ-22А |
4
|
3000
|
0.36
|
1.6
|
|
|
ЭМ-32
ЭМ-32А |
6.3
|
-
|
0.73
|
2.6
|
|
|
ЭМ-42
ЭМ-42А |
16
|
2000
|
0.8
|
4
|
|
|
ЭМ-52
ЭМ-52А |
40
|
1500
|
0.93
|
7.5
|
|
|
ЭМ-62
ЭМ-62А |
100
|
1000
|
2.07
|
16.2
|
|
Примечание. Муфты ЭМ-12 - ЭМ-62 - со шлицевым отверстием в корпусе, муфты ЭМ-12А - ЭМ-62А - с гладким отверствием в корпусе.
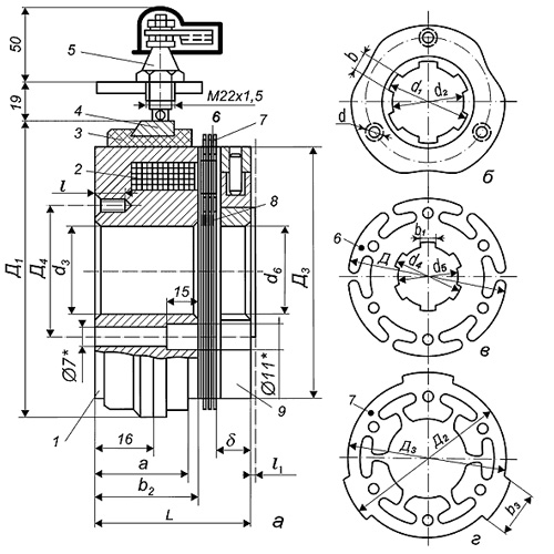
Конструкция электромуфт ЭМ
Муфты ЭМ 12(22,32,42,52,62), а также ЭМ 12А(22А,32А,42А,52А,62А) состоят из следующих основных частей:
Корпуса 1 (рис. 1) с заложенной в него катушкой 2. Один конец катушки соединяется с корпусом, другой с контактным кольцом 4, запрессованным в пластмассовом кольце 3;
Фрикционного устройства, состоящего из стальных дисков двух конфигураций: диска 6 со шлицевым отверстием и диска 7 со шлицевыми выступами по наружному диаметру, а также пружинных шайб 8, служащих для разведения дисков при отключении муфты;
Якоря 9. Токоподвод осуществляется через щётку, закреплённую в щёткодержателе 5.
.jpg)
Во избежание залипания муфты необходимо, чтобы торец якоря в отпущенном состоянии, не соприкасался со стальным поводком 1 (рис. 2, а). Это можно обеспечить при помощи немагнитной прокладки 2 (толщиной не менее 2 мм) между якорем и поводком 1 или кольца 3 (рис. 2, б) на валу (лучше из немагнитного материала), ограничивающего ход якоря.
Во избежание чрезмерного нагрева дисков, а следовательно, и всей муфты при отпущеном якоре величина хода якоря l1 должна быть не менее указанной в таблице.
Необходимо также следить, чтобы поводок не заходил на корпус муфты более 1-2 мм. Превышение этой величины приведёт к уменьшению передаваемого момента.
При монтаже муфты надо следить за тем, чтобы не повредить шлифованные поверхности корпуса, дисков и якоря муфты.
Нормальное положение оси муфты - горизонтальное. Установка муфты с вертикальным расположением оси допустима лишь вниз якорем и при скоростях, не превышающих 60% от наибольшей допустимой скорости вращения.
Муфта электромагнитная ЭМ-12(А)
|
|
Основные параметры муфты электромагнитной (электромуфты) ЭМ 12(А): Мпн – 16Нм / Номинальный передаваемый момент
U – 24 V / Номинальное напряжение катушки
n (макс) – 3000 об/мин / Максимальная скорость вращения
а-0,23 ампер/ток (справочный)
вес 1,1 кг. |
|
|
Основные параметры муфты электромагнитной (электромуфты) ЭМ 22(А) УХЛ4: Мпн – 40Нм / Номинальный передаваемый момент
U – 24 V / Номинальное напряжение катушки
n (макс) – 3000 об/мин / Максимальная скорость вращения
а-0,36 ампер/ток (справочный) вес 1,6 кг. |
|
|
Основные параметры муфты электромагнитной (электромуфты) ЭМ 32(А): Мпн – 63Нм / Номинальный передаваемый момент
U – 24 V / Номинальное напряжение катушки
n (макс) – 3000 об/мин / Максимальная скорость вращения
а-0,76 ампер/ток (справочный)
вес 2,6 кг. |
|
|
Основные параметры муфты электромагнитной (электромуфты) ЭМ 42(А): Мпн – 160Нм / Номинальный передаваемый момент
U – 24 V / Номинальное напряжение катушки
n (макс) – 2000 об/мин / Максимальная скорость вращения
а-0,8 ампер/ток (справочный)
вес 4 кг. |
|
|
Основные параметры муфты электромагнитной (электромуфты) ЭМ 52(А): Мпн – 400Нм / Номинальный передаваемый момент
U – 24 V / Номинальное напряжение катушки
n (макс) – 2500 об/мин / Максимальная скорость вращения
а-0,8 ампер/ток (справочный)
вес 7,5 кг. |
|
|
Основные параметры муфты электромагнитной ЭМ 62(А) УХЛ4: Мпн – 500Нм / Номинальный передаваемый момент
U – 24 V / Номинальное напряжение катушки n (макс) – 2000 об/мин / Максимальная скорость вращения |
Пример условного обозначения электромагнитной фрикционной муфты 05 габарита (с номинальным значением передаваемого момента 500 кГм), в бесконтактном исполнении, со шлицевым отверстием второго размера, с посадкой по наружному диаметру, с выводами длиной 500 мм:
Электромагнитная муфта ЭМ52 УХЛ4.
&nb